Nächste Seite:Arbeitstechnik unter Normaldruck Aufwärts:
Rektifikation Vorherige Seite:Rektifikation Inhalt
Im Gegensatz zur einfachen Destillation, bei der Dampf und Kondensat auf dem gesamten Weg durch die Apparatur
einmalig in gleicher Richtung fließen, läuft bei der Gegenstromdestillation der Rektifikation fortwährend ein Teil des Kondensats wieder dem Dampf entgegen. Dieses Prinzip läßt sich mit Destillationskolonnen realisieren. Die Rektifikation
dient der Trennung von Flüssigkeiten, bei denen die Siedepunkte der einzelnen Komponenten weniger als 80
C auseinander liegen, ihre Dampfdrücke also vergleichbar werden. Eine einzelne einfache Destillation führt dann nicht mehr
zum Ziel. In Analogie zum Siedeverhalten einer reinen Flüssigkeit beginnt ein binäres Gemisch zweier vollständig mischbarer Flüssigkeiten bei jener Temperatur zu sieden, bei der der Gesamtdampfdruck beider Komponenten den Wert des äußeren
Druckes erreicht. So beginnt z.B. ein äquimolares Gemisch von Ethanol und Butanol-1 bei etwa 93
C unter Atmosphärendruck zu sieden (Ethanol Kp: 78
C; Butanol Kp: 117,5
C). Das Zustandekommen dieser Anreicherung an
niedriger siedender Komponente, die die Grundlage für die destillative Trennung durch Rektifikation ist, soll näher betrachtet werden. Beide Mischungskomponenten, Ethanol und Butanol-1 tragen bei der entsprechenden Temperatur zum
Gesamtdampfdruck über der Flüssigkeit mit ihren sogenannten Partialdruck bei. Nach dem RAOULT'schen Gesetz ist der Partialdruck p gleich der Dampfdruck P der reinen Substanz A, multipliziert mit ihrem Molenbruch
in der Mischung. Da bei 93
C der Dampfdruck von Ethanol etwa 1260 Torr beträgt, ergibt sich sein Partialdruck
über die
obengenannte Gleichung zu:
Torr
Torr
Der Gesamtpartialdruck ergibt sich zu 760 Torr, die Mischung beginnt zu sieden. Da der Partialdruck des Ethanols über
des Gesamtdruckes ausmacht, enthält der erste abdestillierte Dampf 83 Mol-% Ethanol und nur
17 Mol-% Butanol-1. Dieses Prinzip, nach dem der Dampf immer reicher an der niedrig siedenen Komponente (höherer Dampfdruck) ist, bildet die Grundlage der möglichen Auftrennung der Mischung. Da der Dampf einen höheren
Ethanol-Anteil enthält, wird der Rückstand reicher an Butanol-1, d.h. dessen Molenbruch vergrößert sich. Dadurch wird aber entsprechend der obengenannten Gleichung der Partialdruck der höher siedenen Komponente Butanol-1 erhöht.
Während also insgesamt der Rückstand kontinuierlich reicher an Butanol-1 wird, steigt gleichzeitig der Siedepunkt an, und der Butanol-Anteil im Dampf nimmt langsam zu. Fängt man die übergehende Flüssigkeit bei dieser einfachen Destillation in
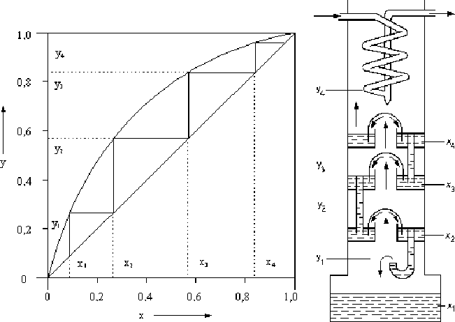
Fraktionen auf, sind die ersten reicher, die letzten ärmer an Ethanol als die Mischung. Anschaulich läßt sich der Siedeverlauf an folgendem Diagramm erkennen (Abb.
).
|
Die untere Kurve (Siedekurve) gibt die Abhängigkeit der Siedepunkte beliebiger Ethanol / Butanol-1 Gemische von ihrer Zusammensetzung in Mol-% an. Die darüberliegende Kurve (Taukurve) beschreibt die dazugehörigen
Dampfzusammensetzungen nach dem RAOULT'schen Gesetz. Unterwirft man die einzelnen, innerhalb bestimmter Temperaturbereiche aufgefangenen Fraktionen weiteren einfachen Destillationen entsprechend Abb.
, gelingt schließlich die Auftrennung in die beiden reinen Komponenten.
Solche Mischungen, die dem RAOULT-schen Gesetz zumindest näherungsweise genügen, werden als ideal bezeichnet. Bei den in der Praxis vorkommenden realen Gemischen treten zum Teil bedeutende Abweichungen vom durch das
RAOULT'sche Gesetz vorausgesagten Destillationsverhalten auf. So können in den jeweiligen Siedediagrammen Maxima und Minima entstehen. Man hat es dort mit azeotrop siedenen Mischungen (siehe Kap.
) zu tun, die durch Destillationen
nicht auf trennbar sind, weil der entstehende Dampf die gleiche Zusammensetzung aufweist wie die Flüssigkeit (z.B. 96% wässriges Ethanol). Anstelle des obengenannten aufwendigen Verfahrens wiederholter einfacher Destillationen mit jeweils
diskontinuierlicher Einstellung des Flüssigkeits-Dampf-Gleichgewichtes gemäß den obengenannten Gleichungen läßt sich das gleiche Ergebnis durch eine kontinuierliche Gegenstromdestillation (Rektifikation) mittels einer Kolonne erreichen. Die
Funktion einer solchen Kolonne läßt sich am besten am Beispiel der Glockenbodenkolonne (bei Großdestillationen häufig verwendete Kolonnenform) erläutern (siehe Abb.
).
|
Bei unserem Beispiel der 1:1 Mischung von Ethanol und Butanol-1 erreicht zunächst ein Dampf der Zusammensetzung II
die erste Kammer und kondensiert hier teilweise. Das Kondensat ist etwas reicher an Butanol-1 als der ursprüngliche Dampf. Es sammelt sich auf dem ersten Boden. Weiter auf steigender Dampf wird durch die Glocke zu inniger Berührung
mit der kondensierten Flüssigkeit gezwungen. Inzwischen hat der restliche, ethanol-reichere Dampf die zweite Kammer erreicht, wo sich der ganze Prozess wiederholt usw.. An jedem Boden erfolgt bei genügend langsamem Siedeprozeß die
Gleichgewichtseinstellung zwischen Dampf und Destillat in Bezug auf Zusammensetzung und Temperatur, und es scheint, als ob das Kondensat zum Teil durch den aufsteigenden heißen Dampf redestilliert würde. Dadurch wird der Dampf in jeder
Glockenbodenkammer reicher an Ethanol (gleichzeitig sinkt auch die Temperatur), und es hängt nur von der Wirksamkeit der Kolonne, ausgedrückt in theoretischen Böden ab, ob schließlich praktisch reines Ethanol die Kolonne verläßt. Die Zahl
der theoretischen Böden der Kolonne ist der Zahl einfacher Destillationen äquivalent, die notwendig wären, um den gleichen
Trenneffekt zu erhalten, wie bei der Rektifikation mittels Kolonne. Ein Beispiel für eine einfache Kolonnenausführung in der Laborpraxis ist die VIGREUX-Kolonne, die meist zur weitgehenden Vermeidung von Wärmeverlusten mit einem Luft-
oder Vakuummantel versehen ist (Abb.
).
|
Die Trennleistung von Füllkörperkolonnen ist abhängig von ihren Füllkörpern. Es werden hier unterschiedliche Materialien mit unterschiedlichen Formen verwendet. Raschig-Ringe (Abb.
a) aus Glas besitzen die geringste Wirksamkeit und sind für Vakuum schlecht geeignet. Sattelkörper aus Porzellan (Abb.
c) dagegen sind für Grobvakuum besser geeignet und
besitzen eine hohe Belastbarkeit. Eine hohe Wirksamkeit, aber einen hohen Druckverlust in der Kolonne, besitzen Braunschweiger Wendeln (Abb.
c). Höhere Trennleistungen werden nur noch mit Drahtgeflechtröllchen (Abb.
d) erreicht.
|
Kai Jung
2000-11-16


An dieser Seite waren u.a. folgende Programme beteiligt: